Laboratory power supply 0-30V 10A (adjustable)

power supply1 3055

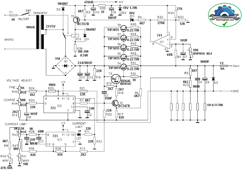
 Excellent laboratory power supply, it provides highly stabilized output. Adjustable power supply is based on 2 pieces of LM723 (UC723). Normally, LM723 alone can control current and voltage. In this design, a separate LM723 is used for voltage and current parts. LM741 opamp is used for AC voltage stabilization.

Power Supply Technical data

  • Adjustable output voltage from 0v to 30V.
  • Adjustable output current from 0v to 9A.
  • Fine tuning on 1 V
  • Current limitation indicator with Display LCD
  • Output current: 8A. continuous / 1OA Max.
  • Maximum ripple 0.5mV RMS
  • Illuminated LCD display for showing the output voltage and current values
  • Safety: EN-61010-1
  • Accessories: mains cable and user manual

The circuit consists of two cooling fans, which maintain the power supply's constant temperature through its internal circuit.
The power supply is protected from any short circuits (reset requires by power off of circuit).
The power supply can be supplied with the LCD or in analogue mode via the galvanometer.
It is also possible (with request) to use MOSFETs instead of transistors, and can be used as a charged battery (6 and 12-volt) which is managed by a PIC24 of the microchip. For more details see Figures below

drawing1

circuit

New generation of power supplies for a wide range of applications in the telecommunications sector, laboratories and industry. These power supplies are exceptionally resistant to close-range high-frequency interference.
It features constant current protection, over-voltage protection and protection against over-temperature at constant current. This ensures the high reliability and durability of these power supplies.

Note: the Circuit can be provide in tradizional mode, and also as power switch

For more details do you not hesitate to contact us

favicon bacd

+(39) 347 051 5328

Italy - Kazakhstan

09.00am to 18.00pm

About

We offer the best and economical solutions, backed by 27+ years of experience and international standards knowledge, echnological changes, and industrial systems.

Marketing Materials

Spring Renovation
Industry
US Gas Company
Construct
Plus Project
Vam Drilling Service
X Project
X Project
Cabrrus Training

Marketing Materials1

Spring Renovation
Industry
US Gas Company
Construct
Plus Project
Vam Drilling Service
ultrasonic sensor
ultrasonic sensor
Cabrrus Training