Medium voltage switchgear
Up to 35KV (35000 Volts)

Essential for industrial plants, substations, and renewable energy.

Air-Insulated Switchgear (AIS) or Gas Insulated Switchgear (GIS)

LEARN MORE

Synchronous and asynchronous motors
Responds to Global Challenges

Asynchronous (induction) motors operate with a "slip" (slower than synchronous speed)

Synchronous motors run at a constant, fixed speed

LEARN MORE

Parallel control panel
& Load Sharing

A Control Panel Load Sharing system distributes electrical demand

proportionally across multiple generators or power sources operating in parallel

Learn More

Motor Type


Induction Motor Working Principle
(Asynchronous Motor)
Electromagnetic Induction



Wound Rotor Working Principle
stator like a squirrel cage
rotating magnetic field



Reluctance Motor Working Principle
stator and the rotor similar
to a normal electric motor



Brushless DC Motors
Working Principle
Using an Electronic Controller


All Motor Connection Types


AC Motor Control Basics
Working Principle
Electromagnetic Induction



Single-phase, two-phase and
three-phase motor
Mechanical Energy



STAR – DELTA Connection
Star (Y) - Delta (Δ)
Difference Between Star & Delta



VFD (Variable Frequency Drive)
Variable Speed Drive (VSD)
Adjustable Speed Drive (ASD)


Parallel Control Panel between Generators


Parallel between two Generators
involves synchronizing their voltage
frequency, phase angle



Step-by-step sequence to activate
parallel operation between
two generators



Isochronous Control Sharing
a method for paralleling
multiple generators



Droop control enables
two or more generators
Working Principle


Load Sharing between two Generators


Parallel and load sharing
between two or more Generators
Working Principle



Load Sharing between
two generators
Working Principle



Active/Automatic Load Sharing
intelligent electrical
management system



Reactive Power (kVAR) Sharing
generators is controlled by
adjusting the alternator field excitation


Protective Relays & Other Important Relays


Current relays are protective devices
short circuits or overloads
current exceeds a set limit



Phase Failure/Sequence Relays (PSR)
Three-phase electrical systems
Tripping the circuit if faults occur



Electromechanical relay
electromagnet to mechanically
de-energized, a spring returns



Monitoring Relays
electrical parameter(like voltage/current)
opening contacts to shut down



Minimum and Maximum Voltage Relays
undervoltage or overvoltage
input and trigger a contact



Locked Rotor Relays
detecting when the rotor stops turning
potentially melting windings



Solid-State/Digital Relays (SSRs)
input signal to activate
an internal light source



Regulating Relays
operate an electromagnetic switch
automatic switching



Short-circuit protection for motor relays
MCCB (Molded Case Circuit Breaker)
(MCB (Miniature Circuit Breaker)



Voltage & Frequency Relays
Crucial electrical protection devices
prevent equipment damage



Thermal relays protection
overheating by using a
bimetallic strip



Auxiliary relays
control multiple circuits
provide interlocking, or lock



Earth/Ground Fault Relay
detect current leaking
quickly trips the circuit breaker



Motor and generator relays
low-power signal to control high-power
creating a magnetic field in a coil



Magnetic Latching Relays
using a brief electrical pulse
to create a magnetic field


Three types of UPS system configurations


UPS Uninterruptible Power Supply Types
How they handle power
Working Principle



Internal Inverter of UPS
continuously charging a battery
Working Principle



UPS Battery Mode (Backup)
Inverter Activation
Working Principle



Offline/Standby UPS
Single or three Phase
Working Principle



Rectifier (AC to DC) UPS
In Stage 1 of an online UPS
Working Principle



UPS Transfer Switch
continuously monitoring utility power
Working Principle



Line-Interactive (Mid-range) UPS
Automatic Voltage Regulator (AVR)
Working Principle



UPS battery charges
Conversion AC to DC
Working Principle



UPS AVR (Automatic Voltage Regulator)
Autotransformer to stabilize voltage
Working Principle



Online Double-Conversion UPS
The system continuously operates
Working Principle



Normal Mode (Standby) UPS
AC power directly to equipment
Working Principle



UPS Static Bypass Mode
safety feature in online UPS
Working Principle


System earthing


Type of earthing System earthing
TT, TN, IT
Working Principle



a method of connecting the neutral
point of a generator, transformer
or electrical system



a method of connecting the neutral
point of a generator, transformer
or electrical system



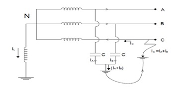
Resonant Grounding (Petersen Coil)
variable inductor (the coil)
Neutralize capacitive fault currents


With over 27 years in Oil & Gas, we've interacted with many people and diverse cultures, always with great respect

Certificates

+39 347 0515328

Autoclave Certicate


Course for high and Ultra-High pressure Fitting Autoclave Eng.
+39 347 0515328

Swagelow/Parker Certicate


Traning course tubing installation, connection fitting and tube bender
+39 347 0515328

Microchip Certificate


PIC18 Peripherals and configuration set 16-bit architecture
+39 347 0515328

Microchip Certificate


PIC24 Peripherals and configuration set 16-bit architecture
fas fa-quote-right

Customers Feedback

favicon bacd

+(39) 347 051 5328

Italy - Kazakhstan

09.00am to 18.00pm

About

We offer the best and economical solutions, backed by 27+ years of experience and international standards knowledge, echnological changes, and industrial systems.

Marketing Materials

Spring Renovation
Industry
US Gas Company
Construct
Plus Project
Vam Drilling Service
X Project
X Project
Cabrrus Training

Marketing Materials1

Spring Renovation
Industry
US Gas Company
Construct
Plus Project
Vam Drilling Service
ultrasonic sensor
ultrasonic sensor
Cabrrus Training