10AH 100AH Battery Charging Circuit (1A-10A Adjustable)

charger17

 With the automatic battery charging circuit based on the ATTINY24 microcontroller, you can charge 12v batteries of different powers (charging current adjustment in the range of 1A…10A) with current limitation of 10Ah, 20Ah, 30Ah, 40Ah, 50Ah, 60Ah, 70Ah, 80Ah, 90Ah and max. 12V lead-acid batteries with a capacity of 100Ah can be used. Current control is made with LM358 opamp over 2x 0.1-Ohm 5w stone resistors. Since mosfet (IRF5305) is used as power transistor, the heat is lower. You can see battery health, charge status, dead battery charge, etc. from the simple LED indicator section. Showing information

The transformer used in the battery charging circuit can be used in toroidal type normal sheet metal transformer, output 17V power 200W. The source of the charging circuit realized with Atmel ATtiny24 microcontroller is ATTINY24 C codes. Even if you do not apply the project given, it can be useful for different projects. In addition, there are also eagle CAD pcb drawings.

There are drawings on the information panel used in the box of the 100ah battery charging circuit. The drawing was prepared with Eagle Cad. In addition to the PCB and schematic drawings, we also saw that beautiful panel designs were made.

Nota: The circuit can be supplied with the transformer (220VAC to 17VAC) like in the figure below, or with the power switch like in the Figure above, everything depends on the request

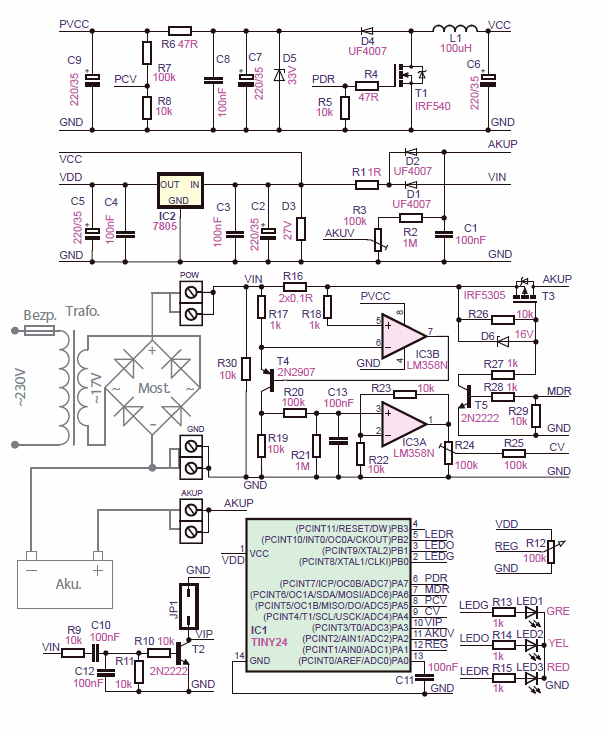
Battery Charging Circuit Diagram

circuit diagram

100AH Charging Circuit Board

board

The device monitors the charging process and sets its optimum parameters. The entire cycle is divided into 4 stages that change depending on the battery charge level. Charging is automatically terminated when the battery reaches the correct voltage. 3 LEDs show the battery status and charging stage. The charger allows you to adjust the charging current, thus preventing battery damage (too much current) and saving time (too little current).

Selected parameters

  • Charging 12V lead batteries with a capacity of 10…100Ah
  • regulation of charging current in the range of approximately 1…10A
  • battery overcharge protection
  • multi-stage charging process
  • power supply: 17V transformer or dc adapter
  • dimensions: 103x54mm

For more details on this charger you can see the PDF attached here. All components, the case, the transformer, the PCB board, are available here on the website. For any question Please do not hesitate to contact us, our technician will contact you.

 

 

favicon bacd

+(39) 347 051 5328

Italy - Kazakhstan

09.00am to 18.00pm

About

We offer the best and economical solutions, backed by 27+ years of experience and international standards knowledge, echnological changes, and industrial systems.

Marketing Materials

Spring Renovation
Industry
US Gas Company
Construct
Plus Project
Vam Drilling Service
X Project
X Project
Cabrrus Training

Marketing Materials1

Spring Renovation
Industry
US Gas Company
Construct
Plus Project
Vam Drilling Service
ultrasonic sensor
ultrasonic sensor
Cabrrus Training