HIP4081A High Power H Bridge Motor Driver

high motor

The high-power H-bridge circuit designed to control permanent magnet DC motors. It was designed expressly as a motor control for robot combat in competitions such as BattleBots™ and the like. However, the attributes of a controller for such an environment are suitable for a wide range of commercial or industrial motor control applications. The OSMC can drive a wide variety of motors and other loads and is easy to mount and interface to a variety of microcontroller units. The low-cost is also easy to modify or repair if needed.

Specifications and Features

upply voltage 13V to 50V (36V max battery rating)
Output Current (continuous) 160A
Output Current (surge) >400A
Weight 0.6 lb
MOSFETs 16 ea. IRFB3207 (or IRF1405 on older units)
On Resistance .0026 ohm max at 25C
Cooling 40 CFM fan
Bridge Driver Intersil HIP4081A
Logic Interface 10-pin dual-row header
RC Interface External via logic interface
Power Supply 12V .5A regulator
Current Limiting Optional Add-on
Connectors Solder pads for up to 10 ga wire or #8 bolts

 

Unlike most motor controls, this type does not use a heavy heatsink to extract heat from the MOSFETs. Rather, it uses a cooling fan to blow air across the board. This removes heat more quickly than a plate-type heatsink and has lower weight. The fan itself is a commonly available 80mm square computer cooling fan. Either a 12V or 24V fan may be installed on this circuit. Mounting holes are provided at the correct spacing to mount the fan directly over the MOSFETs for maximum cooling efficiency. For more details see Figure 1 below

fan

Figure 1 - Cooling Fan

The Circuit is a simple H-bridge power amplifier. It does not have any on-board logic to interpret RC or other commands. An external logic interface is required to translate command inputs into the PWM signals needed to drive the board. This increases system complexity somewhat but also increases flexibility as the board may be driven by any microcontroller or other signal source that can provide PWM and Enable logic, in fact, this circuit has been modify and apply a Microcrontroller from MICROCHIP (PIC24FJ128GA010).

One of the major advantages of separating the power section of the controller from the logic interface section is to allow the power units to be paralleled for special applications. One exciting application of this is to use two boards on a single interface channel to control high-powered four-brush motors such as the MagmotorTM or AstroflightTM motors. By using a special interface cable the board can control these 4-brush motors at twice the current of a single power unit. That gives a continuous current capability of over 300A! Figure 2 below shows a µMOB controlling 2 boards driving a four-inch Magmotor. Stall testing with this motor and 24V of Hawker batteries showed no appreciable heating of the boards.
Another option for this method of driving two power units from one RC interface channel is to drive a slaved pair of motors from each channel. This allows 4-wheel drive robots to run a slaved pair of motors on each side of the robots with only a single RC interface. In fact, this method has been successfully used with three boards per channel for a six-wheel drive robot

motor

Figure 2 - CC Motor

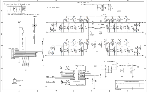
Circuit Diagram

diagram1Figure 3 - Circuit Diagram

 The circuit can be driven with 1-5 volts pulse, but through our tests we managed to make the system work with 4-20mA via the PIC24 of the microchip

Components List

Quantity

Description

Location

21

.1uf 100v - Poly

C2, C3

2

1.0uf 50v tantalum

C4, C6

1

220uf 16v electrolytic Radial lead

C5

1

.47uf 50v 1206 SMD

C7

2

680uf 63v electrolytic Radial lead

C1, C8

1

680 ohm resistor 1206 SMD

R29

6

10K ohm resistor 1206 SMD

R11, R21-R25

16

150 ohm resistor 1206 SMD

R2-R9, R13-R20

21

33 ohm resistor 1206 SMD

R1, R10

1

90.9K ohm resistor 1206 SMD

R12

1

14K ohm resistor 1206 SMD

R28

2

249K ohm resistor 1206 SMD

R26, R27

12

110 ohm 2W resistor axial lead

R30

3

UF1002 1A 100V Ultra fast diode DO-41

D12, D13, D14

8

15v Zener (one watt)

D2-D5, D8-D11

3

51V TVS Diode

D1, D6, D7

Or

39V TVS Diode for use with IRF1404 40V FET

 

16

Fast Schottky diode– SMD

D16-D31

1

RED LED

D15

1

HIP4081AIP – MOSFET driver 20 pin DIP

U2

1

12v regulator 8 pin DIP

U1

1

330uH 740ma - Inductor

L1

1

2x5 header protected

CN5

1

FAN 80mm (3.15”) 12v or 24v depending upon source

 

1

Waldom .2” screw terminal block

J1

1

Circuit board

 

4

8-32 x 1” stand-off

 

6

8-32 x .5” stand-off

 

Each of the OSMC boards requires 16 matching FET’s. Choose from the list below.

16

IRF1405 - HEXFET N-Channel, 55V 133A TO-220AB

Q1-Q16

or

 

 

16

IRF1404 - PWR MOS N-Channel, 40V 162A TO-220AB

Q1-Q16

or

 

 

16

HRF3205 - MOSFET, N-Channel, 55V 100A TO-220AB

Q1-Q16

(Optional) Heat sinks for the FET’s. Install as four groups of four.

4

6-32 x ¼” nut

 

4

6-32 x 1 ¼” screw

 

12

6-32 x 3/16” aluminium spacer

 

16

(Mouser) AAVID TO-220 Heat sink

Q1-Q16

 

The circuit is really with strong power, and also very reliable. But, if the motor remains running for too long the MOSFETs begin to overheat too much, but this depends on the application where they are installed. This type of circuit has been installed on 46" motorised valves. For protection, we have installed a circuit which cuts the power in case the temperature of the MOSFET increases. For now these valves are controlled via 4-20mA and have no issue.

As for the PCB board, we build it (minimum request 5 pieces). All components including the controller (PIC24) and ASM Code are available here. For any clarification, don't hesitate to contact us.

 

favicon bacd

+(39) 347 051 5328

Italy - Kazakhstan

09.00am to 18.00pm

About

We offer the best and economical solutions, backed by 27+ years of experience and international standards knowledge, echnological changes, and industrial systems.

Marketing Materials

Spring Renovation
Industry
US Gas Company
Construct
Plus Project
Vam Drilling Service
X Project
X Project
Cabrrus Training

Marketing Materials1

Spring Renovation
Industry
US Gas Company
Construct
Plus Project
Vam Drilling Service
ultrasonic sensor
ultrasonic sensor
Cabrrus Training