|
2.5A 2 PHASE MICRO-STEPPING STEPPER MOTOR DRIVER

Figure 1 - ELectronic Board
The STK672-442AN-E is a hybrid IC for use a unipolar, 2-phase stepper motor driver with PWM current control. It includes a built-in micro stepping controller and is based on a unipolar constant-current PWM system. The STK672-442AN-E supports application simplification and standardisation by providing a built-in 4-phase distribution stepper motor controller. It supports five excitation methods: 2 phase, 1-2 phase, W1-2 phase, 2W1-2 phase, and 4W1-2 phase excitations, and can provide control of the basic stepping angle of the stepper motor divided into 1/16 step units. It also allows the motor speed to be controlled with only a clock signal. The use of this hybrid IC allows designers to implement systems that provide high motor torques, low vibration levels, low noise, fast response, and high-efficiency drive. In addition, the STK672-442AN-E has various protective functions against over-current and over-heat. And STK672-440AN-E with the hole to attach a heat sink is lined up.
Feature
- Supply Up to 50V DC Input
- Logic Supply 5V DC Input
- Load Current 3.5Amps
- Stepper Motor: 5 Wires, 6 Wires, 8 Wires (Unipolar)
- Built-in over current detection function, over heat detection function (Output Off)
- Fault 1 signal ( Active Low) is output when overcurrent or over heat is detected
- Fault 2 signal is used to output the result of activation of protection circuit detection at 2 levels.
- Built-in power on reset function
- A Micro-step sin wave driven driver can be activated merely by inputting an external clock.
- The Switch timing of the 4-phase distributor can be switched by setting an external pin (Mode3) to detect either the rise or fall, or rise only, of clock input.
- The Enable pin can be used to cut output current while maintaining the excitation mode.
- With a wide current setting range, power consumption can be reduced during standby.
- No Motor noise during hold mode due to external excitation current control.
- Incorporating a current detection resistor (0.122Ω: resistor tolerance 2%), motor current can be set using two external resistors.
- Phase is maintained even when the excitation mode is switched. Rotational direction switching function
- External pins can be used to select 2, 1-2 (including pseudo-micro), W1-2, 2 W1-2, or 4W1-2 excitation.
Clock Input : Input frequency 20Khz when using both edge, Or 50Khz when using one edge
- Minimum pulse width 20us When using both edge Or 10us when using one edge
- M3: Jumper J3-Open the excitation phase moves one step at a time at the rising edge of the CLOCK pulse.
- M3: Jumper J3-Closed the excitation phase moves alternately one step at a time at the rising and falling edges of the CLOCK pulse.
- Do not Change direction during the 7us interval before and after the rising and falling edges of CLOCK input.
- Enable : Normally High for Normal Operation, Pull down control of excitation drive output A, AB, B, and BB, and selecting operation/hold status inside the HIC
Connections, LEDs and Jumpers
- CN 1 : Supply Input up to 50V DC
- CN2 : 1 Pin 5V DC, 2 Pin Direction, 3 Pin Clock Input, 4 Pin Enable, 5 Pin GND, 6 NC, 7 Pin FLT2, 8 Pin GND
- CN3 : Stepper Motor Connection
- D1 LED : Excitation Monitor ( Motor Pulse Indicator)
- D3 LED : Power LED
- D2 LED : Fault 1 LED On When Over Current, Over Heat
- Jumper J1, J2 Micro-Stepping
- Jumper J3 The Switch timing of the 4-phase distributor can be switched by setting an external pin (Mode3) to detect either the rise or fall, or rise only, of clock input.
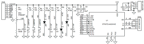
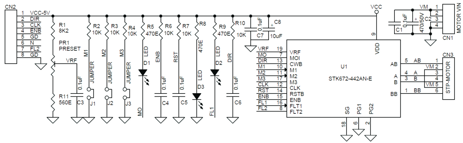
Circuit Diagram
Figure 2 - Circuit Diagram
Components List

Figure 3 - Components List
Connections

Figure 4 - Connection
Micro-Stepping
Figure 5 - Function
Circuit Board

Figure 6 - PCB board
This is an excellent circuit (tested in our workshop). Just require at maximum power a large cooling fin for heat dissipation. For the rest, the STK proved that is very reliable and precise in its engine movements.
You can buy here full board (already assembled) or you can order all components including the Circuit board (minimum request 5). For any questions do not hesitate to contact us
|