KOM Rod Buffer Seal Series (metric)

wiper wc u1 wiper wc u1a

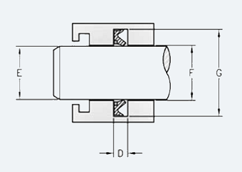
SEAL INFORMATION

Material Type (Primary Seal): POLYURETHANE
Material Type (Backup Rings): POLYACETAL
Durometer (Shore A): 93
Temperature Range (F): -40 TO 230
Max Pressure (psi): 8000
Extrusion Gap at Various Pressures (mm):

  • 1,000 PSI: 1.00
  • 3,000 PSI: 0.65
  • 5,000 PSI: 0.50
  • 8,000 PSI: 0.40

 

Find your Seal

 

favicon bacd

+(39) 347 051 5328

Italy - Kazakhstan

09.00am to 18.00pm

About

We offer the best and economical solutions, backed by 27+ years of experience and international standards knowledge, echnological changes, and industrial systems.

Marketing Materials

Spring Renovation
Industry
US Gas Company
Construct
Plus Project
Vam Drilling Service
X Project
X Project
Cabrrus Training

Marketing Materials1

Spring Renovation
Industry
US Gas Company
Construct
Plus Project
Vam Drilling Service
ultrasonic sensor
ultrasonic sensor
Cabrrus Training