Rod Seal RE Series

road seal sl n1 road seal sl na

 

Polyurethane/Polyacetal/Nitrile
-40/212F [-40/100C]
10 000 PSI [700 Bar]
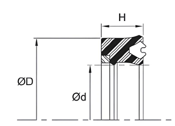
This high-pressure rod seals incorporates both an acetal anti-extrusion ring for pressure protection as well as a unique profiled energizer to ensure lip loading in all conditions. Twin-lip design insures dry rod sealing and added stability in the housing.

 

 

favicon bacd

+(39) 347 051 5328

Italy - Kazakhstan

09.00am to 18.00pm

About

We offer the best and economical solutions, backed by 27+ years of experience and international standards knowledge, echnological changes, and industrial systems.

Marketing Materials

Spring Renovation
Industry
US Gas Company
Construct
Plus Project
Vam Drilling Service
X Project
X Project
Cabrrus Training

Marketing Materials1

Spring Renovation
Industry
US Gas Company
Construct
Plus Project
Vam Drilling Service
ultrasonic sensor
ultrasonic sensor
Cabrrus Training