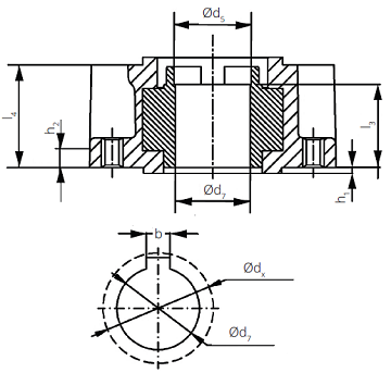
Output Drive Dimensions

 drive
Output Drive Type A Dimensions (2)  

Model

010

020

030

040

050

MSS SP-102

FA10

FA14

FA14

FA16

FA25

Fnom (kN / lbf)

40 /

8992.36

100 /

22480.90

150 /

33721.35

180 /

40465.62

300 /

67442.70

Fmax (kN / lbf)

60 /

13488.54

150 /

33721.35

225 /

50582.03

270 /

60698.43

450 /

101164.05

Ød1 125 / 4.92 175 / 6.89 175 / 6.89 210 / 8.27 300 / 11.81
Ød2 f8 58.7 / 2.31

95.25 /

3.75

95.25 /

3.75

127 / 5.00 152 / 5.98
Ød3

101.6 /

4.00

139.7 /

5.50

139.7 /

5.50

165.1 /

6.50

254.4 /

10.02

Ød4 (UNC) 3/8-16 5/8-11 5/8-11 3/4-10 5/8-11

Ød5

33 / 1.30

46 / 1.81

62 / 2.44

68 / 2.68

78 / 3.07

Ød6 not

machined(1)

BLIND BLIND BLIND 30 / 1.18 35 / 1.38
Ød6 max 32 / 1.26 45 / 1.77 60.5 / 2.38 65 / 2.56 76.5 / 3.01
Ødx max 32 / 1.26 45 / 1.77 60.5 / 2.38 65 / 2.56 76.5 / 3.01
I1 44 / 1.73 55 / 2.17 70 / 2.76 75 / 2.95 92 / 3.62
I2 51 / 2.01 68 / 2.68 84 / 3.31 94 / 3.70 120 / 4.72
h1   4 / 0.16 4 / 0.16 5 / 0.20 5 / 0.20
h2 15 / 0.59 24 / 0.94 24 / 0.94 30 / 1.18 24 / 0.94
N 4 4 4 4 8
Weight (kg / lb) 1.5 / 3.4  Weight (kg / lb) 1.5 / 3.4  15 / 34  28 / 62
 
 
Output Drive Type A Dimensions (1)

Model

010

020

030

040

050

ISO 5210

F10

F14

F14

F16

F25

Fnom (kN / lbf)

40 /

8992.36

100 /

22480.90

150 /

33721.35

180 /

40465.62

300 /

67442.70

Fmax (kN / lbf)

60 /

13488.54

150 /

33721.35

225 /

50582.03

270 /

60698.43

450 /

101164.05

Ød1

125 / 4.92 175 / 6.89 175 / 6.89 210 / 8.27 300 / 11.81

Ød2 f8                      

70 / 2.76 100 / 3.94 100 / 3.94 130 / 5.12 200 / 7.87

Ød3

102 / 4.02 140 / 5.51 140 / 5.51 165 / 6.50 254 / 10.00
Ød4 M10 M16   M16   M20   M16
Ød5 33 / 1.30 46 / 1.81 62 / 2.44 68 / 2.68 78 / 3.07

Ød6 not

machined(1)

BLIND BLIND BLIND 30 / 1.18 35 / 1.38
Ød6 max 32 / 1.26 45 / 1.77 60.5 / 2.38 65 / 2.56 76.5 / 3.01
Ødx max       32 / 1.26 45 / 1.77 60.5 / 2.38 65 / 2.56 76.5 / 3.01
I1 44 / 1.73 55 / 2.17 70 / 2.76 75 / 2.95 92 / 3.62
I2 51 / 2.01 68 / 2.68 84 / 3.31   
94 / 3.70 120 / 4.72
h1 3 / 0.12 4 / 0.16 4 / 0.16 5 / 0.20 5 / 0.20
h2 15 / 0.59 24 / 0.94 24 / 0.94 30 / 1.18  24 / 0.94
N 4 4 4 4 8
Weight (kg / lb)    1.5 / 3.4    7.7 / 17   7.7 / 17   15 / 34 28 / 62

 

NOTES:

  • Ød6 max = Maximum threaded stem acceptable.
  • Ødx = The maximum accepted diameter as prescribed by the key.
  • Fnom = The maximum thrust applicable to the ICON3000 block type “A” for DYNAMIC CONDITIONS with torque control set at 100%.
  • Fmax = The maximum thrust applicable to the ICON3000 block type “A” for STATIC CONDITIONS with manual override or with motor at stall torque.
  • All units are in mm / in. unless otherwise stated. (1) Pre-holes model are available on request.

 

Thrust Block Assembly

drive1
Thrust Block Assembly
Item Quantity Description Material Part Number
1 1 Thrust block Cast iron 3800100400
2 1 Seal locking ring Carbon steel 3800100410
3 1 Bush Bronze 3800100430
4 4 Screw Stainless steel 8058212000
5 1 O-ring Nitrile Butadiene Rubber (NBR) 8092141000
6 4

Thrust

bearing washer

Alloy steel 8411045000
7 1 Q-ring  NBR    8800914133

8

1

Axial bearing

Carbon steel

8854001000

9

1

Greaser

Carbon steel

8870120000

 

Output Drive Type B3/B4 Dimensions

 drive2
Output Drive Type B3/B4 Dimensions (2)

Model

010

020

030

040

050

MSS SP-102

FA10

FA14

FA14

FA16

FA25

B3 Ød10 H9(1) 20 / 0.79 30 / 1.18 30 / 1.18 40 / 1.57 50 / 1.97
Key size (bxh)

6x6 /

0.24x0.24

8x7 /

0.31x0.28

8x7 /

0.31x0.28

12x8 /

0.47x0.31

14x9 /

0.55x0.35

B4 Ødy max(1) 22 / 0.87 32 / 1.26 46 / 1.81 50 / 1.97 58 / 2.28
Ødx (2) 26 / 1.02 40 / 1.57 55 / 2.17 60 / 2.36 68 / 2.68
I6

 

100 / 3.94 120 / 4.72 130 / 5.12 150 / 5.91 178 / 7.01
h1

 

0.1 / 0.00 0.2 / 0.01 0.2 / 0.01 0.2 / 0.01 0.2 / 0.01
h2

 

0.6 / 0.02 0.9 / 0.04 0.9 / 0.04 1.2 / 0.05 0.9 / 0.04
N   4 4 4 4 8
Weight (kg / lb) 1.0 / 2.2 5.6 / 12 6.1 / 13 12 / 27 20 / 45
 
 
Output Drive Type B3/B4 Dimensions (1)

Model

010

020

030

040

050

ISO 5210

F10

F14

F14

F16

F25

B3  Ød10 H9(1) 20 / 0.79 30 / 1.18 30 / 1.18 40 / 1.57 50 / 1.97
Key size (bxh)

6x6 /

0.24x0.24

8x7 /

0.31x0.28

8x7 /

0.31x0.28

12x8 /

0.47x0.31

14x9 /

0.55x0.35

B4 Ødy max(1) 22 / 0.87 32 / 1.26 46 / 1.81 50 / 1.97 58 / 2.28
Ødx (2) 26 / 1.02 40 / 1.57 55 / 2.17 60 / 2.36 68 / 2.68
I6   100 / 3.94 120 / 4.72 130 / 5.12 150 / 5.91 178 / 7.01
h1   3 / 0.12 4 / 0.16 4 / 0.16 5 / 0.20 5 / 0.20
h2   15 / 0.59 24 / 0.94 24 / 0.94 30 / 1.18 24 / 0.94
N   4 4 4 4 8
Weight (kg / lb) 1.0 / 2.2 5.6 / 12 6.1 / 13 12 / 27 20 / 45

 

NOTES:

  • B3 coupling bush is machined in accordance to the above indications.
  • All units are in mm / in. unless otherwise stated.
(1) Ød10 and Ødy with standard keyway according to ISO 773.
(2) Ødx = The maximum accepted diameter described by the key.

 

Thrust Block Type B3/B4

drive3

 

 

Output Drive Type B3/B4 Dimensions

Item

Quantity

Description

Material

Part Number

1 1 Washer - 3500050300
2 1 Flange Carbon steel 3800100460
3 1 Bush Cast iron 3800100470
4 4 Screw Stainless steel 8058210000

 

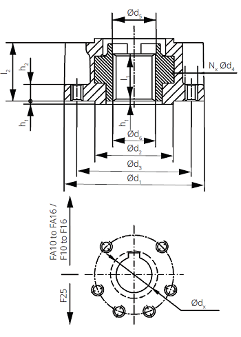
Output Drive Type B5/B6 Dimensions

drive4

Output Drive Type B5/B6 Dimensions (2)

Model

010

020

030

040

050

MSS SP-102

FA10

FA14

FA14

FA16

FA25

Ød5

 

33 / 1.30 46 / 1.81 62 / 2.44 68 / 2.68 78 / 3.07
B5 Ød7 H9(1) 32 / 1.26 45 / 1.77        60 / 2.36          65 / 2.56     76 / 2.99
Key size (bxh)

12x8 /

0.47x0.31

18x11 /

0.71x0.43

18x11 /

0.71x0.43

22x14 /

0.87x0.55

28x16 /

1.10x0.63

B6 Ød7 max(1) 32 / 1.26 45 / 1.77 60 / 2.36 65 / 2.56 76 / 2.99
Ødx max(2) 40 / 1.57 54.4 / 2.14 71 / 2.80 76 / 2.99 90 / 3.54
I3   44 / 1.73 55 / 2.17 70 / 2.76    73 / 2.87 92 / 3.62
I4   51 / 2.01 68 / 2.68 84 / 3.31 94 / 3.70 120 / 4.72

Weight (kg

/ lb)

1.5 / 3.4 6.6 / 15 7.1 / 16 14 / 31 27 / 58
 
Output Drive Type B5/B6 Dimensions (1)

Model

010

020

030

040

050

ISO 5210

F10

F14

F14

F16

F25

Ød5   33 / 1.30 46 / 1.81 62 / 2.44 68 / 2.68 78 / 3.07
B5 Ød7 H9(1) 32 / 1.26 45 / 1.77 60 / 2.36   65 / 2.56  76 / 2.99
Key size (bxh)

12x8 /

0.47x0.31

18x11 /

0.71x0.43

18x11 /

0.71x0.43

22x14 /

0.87x0.55

28x16 /

1.10x0.63

B6 Ød7 max(1) 32 / 1.26 45 / 1.77 60 / 2.36   65 / 2.56   76 / 2.99
Ødx max(2) 40 / 1.57 54.4 / 2.14 71 / 2.80 76 / 2.99 90 / 3.54
I3   44 / 1.73 55 / 2.17 70 / 2.76   73 / 2.87   92 / 3.62
I4   51 / 2.01 68 / 2.68 84 / 3.31 94 / 3.70 120 / 4.72
h1   3 / 0.12   4 / 0.16  4 / 0.16     5 / 0.20   5 / 0.20
h2   15 / 0.59 24 / 0.94 24 / 0.94 30 / 1.18 24 / 0.94
N   4 4 4 4 8
Weight (kg / lb) 1.5 / 3.4 6.6 / 15 7.1 / 16 14 / 31 27 / 58
NOTES:
  • All units are in mm / in. unless otherwise stated.
  • B5 coupling bush is machined in accordance to the above indications.

(1) Ød7 with standard keyway according to ISO 773.(2) Ødx = The maximum acceptable diameter described by the key. 

 

 

 Thrust Block Type B5/B6

drive5

Thrust Block Type B5/B6

Item

Quantity

Description

Material

Part Number

1 1 Thrust block Cast iron 3800100400
2 1 Seal locking ring Bronze 3800100411
3 1 Bush Carbon steel 3800102450
4 4 Screw Stainless steel 8058212000
5 1 O-ring NBR 8092141000
6 2

Thrust

bearing washer

Alloy steel 8411045000
7 1 Q-ring NBR 8800914133
8 1 Greaser Carbon steel 8870120000

 

Output Drive Type B7/B8 Dimensions

drive6

 

Output Drive Type B7/B8 Dimensions (2)

Model

010

020

030

040

050

MSS SP-102

FA10

FA14

FA14

FA16

FA25

Ød5   NA* 46 / 1.81 62 / 2.44 68 / 2.68 78 / 3.07
B7 Ød7 H9(1) NA* 60 / 2.36 60 / 2.36 80 / 3.15 100 / 3.94
Key size (bxh) NA*

18x11 /

0.71x0.43

18x11 /

0.71x0.43

22x14 /

0.87x0.55

28x16 /

1.10x0.63

B8 Ød7 max(1) NA*   60 / 2.36 60 / 2.36  80 / 3.15 100 / 3.94
Ødx max(2) NA* 71 / 2.80 71 / 2.80 94 / 3.70 116 / 4.57
I3   NA* 
48 / 1.89 70 / 2.76 66 / 2.60 76 / 2.99
I4   NA* 68 / 2.68 84 / 3.31 94 / 3.70 120 / 4.72
Weight (kg / lb) NA* 6.6 / 15 7.1 / 16 14 / 31 27 / 58
 
Output Drive Type B7/B8 Dimensions (1)

Model

010

020

030

040

050

ISO 5210

F10

F14

F14

F16

F25

Ød5   33 / 1.30 46 / 1.81 62 / 2.44 68 / 2.68 78 / 3.07
B7 Ød7 H9(1) 42 / 1.65  60 / 2.36  60 / 2.36 80 / 3.15 100 / 3.94
Key size (bxh)

12x8 /

0.47x0.31

18x11 /

0.71x0.43

18x11 /

0.71x0.43

22x14 /

0.87x0.55

28x16 /

1.10x0.63

B8 Ød7 max(1) 42 / 1.65 60 / 2.36  60 / 2.36   80 / 3.15 100 / 3.94
Ødx max(2) 50 / 1.97

71 / 2.80

71 / 2.80 94 / 3.70 116 / 4.57
I3 40 / 1.57   48 / 1.89 70 / 2.76 66 / 2.60  76 / 2.99
I4   51 / 2.01 68 / 2.68 84 / 3.31 94 / 3.70 120 / 4.72
h1   3 / 0.12  4 / 0.16   4 / 0.16 5 / 0.20    5 / 0.20
h2   15 / 0.59 24 / 0.94 24 / 0.94 30 / 1.18 24 / 0.94
N   4 4 4 4 8
Weight (kg / lb) 1.5 / 3.4 6.6 / 15 7.1 / 16 14 / 31 27 / 58
 NOTES:
  • All units are in mm / in. unless otherwise stated.
  • B7 coupling bush is machined in accordance to the above indications.
  • (NA*) for model 010, please refer to type B5/B6.

(1) Ød7 with standard keyway according to ISO 773.
(2) Ødx = The maximum accepted diameter described by the key.

 

 

 Thrust Block Type B7/B8


drive7

 
Output Drive Type B7/B8 Dimensions

Item

Quantity

Description

Material

Part Number

1 1 Thrust block Cast iron 3800100400
2 1 Seal locking ring Carbon steel 3800100410
3 1 Bush Carbon steel 3800102450
4 4 Screw Stainless steel 8058212000
5 1 O-ring NBR 8092141000
6 2

Thrust

bearing washer

Alloy steel 8411045000
7 1 Q-ring NBR 8800914133
8 1 Greaser Carbon steel 8870120000

 

 

 

 

favicon bacd

+(39) 347 051 5328

Italy - Kazakhstan

09.00am to 18.00pm

About

We offer the best and economical solutions, backed by 27+ years of experience and international standards knowledge, echnological changes, and industrial systems.

Marketing Materials

Spring Renovation
Industry
US Gas Company
Construct
Plus Project
Vam Drilling Service
X Project
X Project
Cabrrus Training

Marketing Materials1

Spring Renovation
Industry
US Gas Company
Construct
Plus Project
Vam Drilling Service
ultrasonic sensor
ultrasonic sensor
Cabrrus Training