Resonant Grounding (Petersen Coil)

Resonant Grounding (Petersen Coil)

Resonant grounding, or Petersen coil grounding, is a technique where a variable iron-core reactor is connected between a power system's neutral and earth to suppress ground fault currents. By tuning the reactor's inductance (\(L\)) to match the system's capacitance (\(C\)), the inductive fault current neutralizes the capacitive fault current, causing arcs to self-extinguish and enabling continuous operation during single-line-to-ground faults. 

Key Features and Benefits

  • Arc Suppression: The primary purpose is to eliminate or reduce arcing ground faults, preventing them from escalating into permanent, severe faults.
  • Service Continuity: Because the fault current is neutralized, the system can continue operating with one phase grounded, avoiding immediate outages.
  • Reduced Fault Current: The magnitude of the fault current is reduced to a very low value, minimizing damage at the fault location.
  • Tuning: The coil is adjustable via tappings to match the specific capacitance of the transmission line, with the condition for resonance being XL = XCI3 (where XL is inductive reactance and XC is total capacitive reactance to ground). 

Applications

  • Commonly used in medium-voltage overhead transmission lines (especially 33kV to 132kV) in Europe, Asia, and Australia, though less common in the U.S..
  • Ideal for systems where high reliability and continuity of supply are critical.

Disadvantages

  • High Potential: Can lead to high transient overvoltages during faults, requiring higher insulation levels.
  • Complex Tuning: Requires precise and sometimes automated tuning to maintain efficiency as system configuration changes.
  • Detection: It can make locating the faulty, temporarily grounded phase more difficult compared to solidly grounded systems.

Resonant grounding, also known as Petersen coil or arc suppression coil, is a neutral grounding method used primarily in medium-voltage transmission and distribution networks.

Concept and Operation

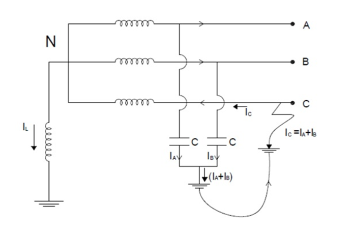
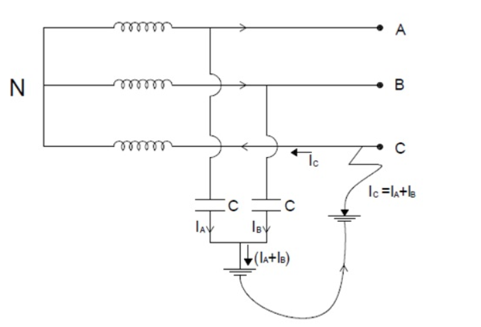
The system consists of connecting the neutral point of a three-phase transformer to earth via a variable inductor (the Petersen coil).

  • Objective: Neutralize the capacitive current flowing to ground during a single-phase fault.
  • Resonance Principle: The coil is calibrated so that its inductive reactance equals the total capacitive reactance of the system to ground. In this parallel resonance condition, the current at the fault point is theoretically close to zero.
  • Self-extinguishing: By reducing the fault current to minimal levels (often <35 A), electrical arcs caused by transient faults (such as branches touching lines or lightning strikes) extinguish spontaneously without tripping the line circuit breaker.

Advantages and Disadvantages

Advantages Disadvantages
Continuity of Service: Transient faults do not cause power outages. Cost: Automatic calibration equipment and control systems are expensive.
Damage reduction: Minimal fault currents limit thermal damage at the point of failure. Stress isolamento: Le fasi sane vedono un aumento di tensione verso terra pari alla tensione concatenata (√3}\times Vph).
Safety: Reduces dangerous step and touch voltages near the fault. Complex protections: The fault current is so low that standard protections cannot detect it, requiring sensitive wattmetric relays.

 

Common Applications

It is an extremely popular solution in Europe and Scandinavia for medium-voltage overhead lines (6 kV - 110 kV), where 80% of faults are transient. It is less effective for underground cables, where faults tend to be permanent and require immediate intervention by protection devices.

Working Principle of Petersen Coil

To better understand the working principle and need of Petersen Coil, let us have a look at the arcing ground phenomenon. We know that arcing ground phenomenon is observed in ungrounded 3 phase system. During arcing ground the voltage of healthy phase rises from phase voltage to line voltage i.e. it becomes √3Vph. Also, arcing in such phenomena is due to heavy capacitive charging current which is 3IC where IC = Vph / XC. Thus if there were any way to reduce this charging current then arcing ground phenomena could have been eliminated. Isn’t it?

Well, you will say that we can connect a resistor in ground of system to minimize the capacitive charging current. Then why do we connect inductor in ground?

Why Inductor is used to eliminate Arcing Ground?

To answer this question, let us consider a single line to ground fault and its phasor diagram for an ungrounded system as shown below.

 Resonant Grounding1 (Petersen Coil)

 Resonant Grounding2 (Petersen Coil)

From the phasor diagram it is can be easily observed that, the voltage of neutral point shifts from ground potential to phase voltage Vph but in opposite direction. This is the reason the direction of VC is reverse in figure above and shown by V’C. The fault current IC (IC = IA+IB) is perpendicular to the V’C. Thus if we want to eliminate the fault current then we must connect an element which will take current in a direction opposite to IC. Carefully observe that IC is leading V’C by 90°.

Resonant Grounding (Petersen Coil)

Now as we are connecting an element in between the neutral point N and ground, therefore the voltage drop across that element will be VC. Thus that element must take current equal to IC and shall lag from VC by 90°. As inductor takes lagging current, therefore an inductor is connected in between neutral and ground to eliminate arcing ground. 

What is Petersen Coil?

Petersen Coil is nothing but an inductor used to connect ground of three phase system to the earth. In other words, the neutral of three phase system is grounded through Peterson Coil. Basically, such grounding is adopted to minimize the capacitive charging current during fault in the lines. This also eliminates the arcing ground. The inductor connected in figure above is Petersen Coil. This type of grounding is also known as Resonant Grounding.

How does Petersen Coil Work?

As discussed earlier in this post, Petersen Coil must take current equal to the fault current IC so that it neutralizes the fault current. This is the reason, it is also known as fault neutralizer.

Let us consider the figure shown above.

The current through the Petersen Coil IL = Vph / ωL

But the fault current IC = 3Vph / XC  (how? Please read Arcing Ground)

Therefore to neutralize the fault current,

IL = IC

Hence,

Vph / ωL = 3Vph / XC

⇒1/ωL = 3ωC

⇒L = 1/3ω2C

Thus to neutralize the capacitive charging current, the value of inductance of Petersen coil shall be 1/3ω2C.

Advantages of Resonant Grounding

  • The use of Petersen coil reduces the line interruption due to transient line to ground fault. This is otherwise not possible with other kind of grounding.
  • The tendency of developing three phase fault from single phase fault is reduces with the use of resonant grounding.

favicon bacd

+(39) 347 051 5328

Italy - Kazakhstan

09.00am to 18.00pm

About

We offer the best and economical solutions, backed by 27+ years of experience and international standards knowledge, echnological changes, and industrial systems.

Marketing Materials

Spring Renovation
Industry
US Gas Company
Construct
Plus Project
Vam Drilling Service
X Project
X Project
Cabrrus Training

Marketing Materials1

Spring Renovation
Industry
US Gas Company
Construct
Plus Project
Vam Drilling Service
ultrasonic sensor
ultrasonic sensor
Cabrrus Training