Variable power supply with LM317

 3D

 

The integrated LM317

It is the circuit integrated which has dimensions identical to those of a normal transistor of average power type TO.220, they have only three feet (see Figure 1).

drawing transistor

Figure 1

 

The pin E or VIN as indicated in figure 1 receives the positive voltage to be stabilized which is withdrawn from a rectifier bridge where is included an electrolytic capacitor for removing any AC (ripple). See figure 1a below

ripple 2

The pin R or ADJ as indicated in figure 1 is the adjustment foot, which is used to vary the output voltage to the desired value.

The pin U or VOUT as indicated in figure 1 is the one where stabilized voltage is taken.

table characteristic

Figure 2

 

Max Volt input/output:

Many people believe that this value indicates the maximum applicable voltage on the entrance to the LM 317. This is not true, this integrated accepts on the input also voltages of 60 - 80 - 100 Volt, important is the difference between the voltage applied to the input and the one taken at the outlet should not be than 40 Volt.

To explain better what is meant by this difference, we will give you some examples:

  • If a voltage of 39 Volts is applied at the input of the LM.317, you can make a power supply that can be regulated from a minimum of 1.25 Volts to a maximum of 36 Volts, as you will never have a difference between input/output exceeding 40 Volt.
  • If a voltage of 46 Volt is applied to the input, you can make a power supply that can be regulated by a minimum of: 46 - 40 = 6 Volts up to a maximum of 43 Volt. If the minimum voltage is below 6 Volts, you would get a difference between input and output greater than 40 Volts.
  • If a voltage of 63 Volt is applied to the input, you can make a power supply that can be regulated by a minimum of: 63-40 =23 Volts to a minimum of 60 Volts. You cannot go below 23 Volts because the input/output difference would be great than 40 Volts.
  • If a voltage of 93 Volt is applied to the input, you can make a power supply that can be regulated by a minimum of: 98 - 40 = 58 Volts up to a maximum of 95 Volts 

Drop out Volts:

Figure 2 indicates the voltage drop introduced by the LM 317. So if you apply a voltage of 46 Volts on the input, the maximum stabilized voltage that you can withdraw on the output will never exceed:

  • If you apply a voltage of 15 Volts on the input, the maximum stabilized voltage that you can withdraw on the output will never exceed: 15 - 3 = 12 Volts

The minimum voltage of the output:

The value of 1.25 Volt indicates the minimum stabilized voltage that is possible to withdraw from the LM 317 (as per datasheet).

Max current of output:

The maximum current that LM.317 is able to deliver is 1.5 Ampere, but with a cooling fan. Without a cooling fan, the maximum current is below 0.5 or 0.7 Ampere.

Max power:

The power of 15 Watt reported in the characteristics is obtained only if the body of the LM 317 is fixed above a cooling fin. If the cooling fans fail to dissipate the heat generated and exceeds the temperature of the safety limit, the thermal protection will activate. The LM 317 lowers the output voltage, which therefore will no longer be stabilized, and it overheats considerably.

Output ripple:

For those who do not know, the ripple is the residual AC voltage that is found on the continuous voltage stabilized. As in this case, we talk about a ripple equal to -80 dB, it means that the alternating residual present on the stabilized DC voltage is less than 10,000 times. Therefore, if you have adjusted the power supply for an output voltage of 18 volts, this may result in an alternating residue of 0.0018 Volts equal to a value that is negligible.

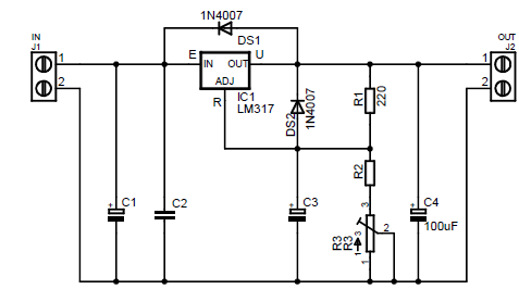
Below components characteristics:

  • C1: It is an electrolytic filter capacitor that is always applied near the rectifier bridge.
  • C2: It is a capacitor polyester or ceramic with 100.000 pF that will be connected between the Inlet terminal and the mass to avoid self–oscillations.
  • C3: It is a 10μF electrolytic capacitor, with a working voltage of 50-63 Volts, which is used to make the voltage on the Regulating terminal perfectly stable
  • C4: It is an electrolytic capacitor that is applied to the output terminal which is used to eliminate any alternating residue. The value of this capacitor must never be less than 100μF and must have a working voltage that is never lower than the maximum stabilized voltage that you will pick up on its output.
  • DS1: This diode is located between the output and the input (the positive terminal faces the input), the utility of this diode is to protect the integrated circuit whenever the power supply is turned off. Without this diode the voltage stored from the capacitor C4 would be discharged in the opposite direction inside the LM 317, that is from the output towards the input damaging it.
  • DS2: This diode connected between the R and U terminals (the positive terminal faces U), is used to instantly discharge the capacitor C3 in the event of an accidental short-circuit on the output terminals.
  • R1: This resistance, with a fixed value of 220 ohms 1/4 watt, is used to achieve associate with resistance that a resistive divider from which the voltage to be applied to the adjustment pin R is removed.
  • R2: The value of this resistance must be calculated according to the value of the stabilized voltage that will be taken at the output of LM 317. Less is the value of this resistance (ohm) less will be the voltage stabilized, greater is the value of this resistance (ohm) greater will be voltage stabilized. Using a fixed resistance for R2, you will get a stabilized fixed voltage output. If instead of this resistance a normal linear potentiometer will be inserted it, will be possible to obtain a variable stabilized voltage in Output (see figure 3).

drawing resistor

drawing regulator

 

 

 

 

 

 

 

 

    Figure 3    

 

Calculation of the R2

Knowing the voltage value, to calculate the R2 resistance value you will have to use this simple formula:

R2 ohm = [(Volt output: 1.25) - 1] x 220

Volt output: indicate the value of voltage that is to be taken at the output of LM317.

Number 1.25: indicate the difference in voltage that exists between the output and the adjustment feet.

Number 1:  is a fixed number supplied by the Manufacturer.

Number 220: is the value in ohms of the resistance R1 applied to the resistive divider.

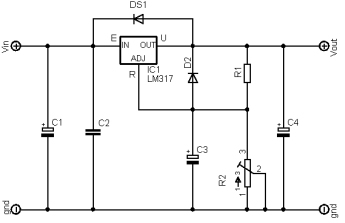
The figure below shows the full drawing

final circuit

 

3D1

 

 

 

 

 

 

PCB

 

 

 

 

 

 

www.bennypass.it

favicon bacd

+(39) 347 051 5328

Italy - Kazakhstan

09.00am to 18.00pm

About

We offer the best and economical solutions, backed by 27+ years of experience and international standards knowledge, echnological changes, and industrial systems.

Marketing Materials

Spring Renovation
Industry
US Gas Company
Construct
Plus Project
Vam Drilling Service
X Project
X Project
Cabrrus Training

Marketing Materials1

Spring Renovation
Industry
US Gas Company
Construct
Plus Project
Vam Drilling Service
ultrasonic sensor
ultrasonic sensor
Cabrrus Training