Variable power supply from 2v to 15v 1A

power1

The power source is one of the most useful elements in the laboratory.

This particular model allows you to have any stabilized and adjustable DC voltage between 2 and 15 Volts, with a maximum output current of 1A.

This source uses the MA-01 power module. With this are added the power transformer, a switch for switching on/off and a protection fuse. In addition, there is the potentiometer which adjusts the voltage requirements and a voltmeter connect in order to check the output voltage at any time. Everything must be placed in a box. To improve the aesthetics and to indicate the function of each element of the front panel a label is provided to be glued to the panel as per the figure above. For this operation, we recommend using double-sided tape. This small device is very useful because it fulfils almost all the power supply needs of small devices or battery-powered circuits. Furthermore, using an integrated circuit, it is not necessary to insert adjustment elements (thanks to this), the start-up is immediate. However, before connecting the appliance to the mains, it is advisable to carry out a conscientious review of all internal connections.

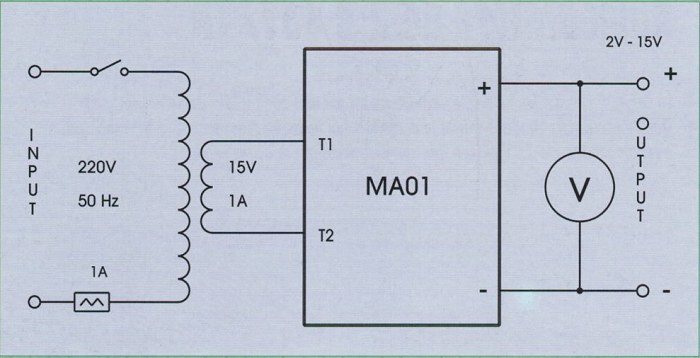
Figure 1 below shows in general all the connections

power3

Figure 1

 

The components

power4 power5
The terminals of the voltmeter must be connected to the output terminals of course respecting the polarities  the input voltage of the transformer to be used must be adequate to that supplied by the electricity supply company
 power6

Technical data

Input voltage: 220V 50Hz

Output voltage: Stabilized regulated between 2 and 15V Output Current: 1 Ampere (maximum)

Indicators: 0 - 15V needle tool

Output connection: By terminals

The fuse provides good protection against failures and operating errors  

 List of components

  • 1 module "Power source MA01"

Boxed mounting material

  • 1 S6N Supertronic box
  • 1 Transformer 220V / 15V 1A
  • 1 Voltmeter 15V
  • 1 Command for potentiometer
  • 1 Miniature switch
  • 1 Diode led 5mm red
  • 1 LED door 5mm
  • 1 Red clamp
  • 1 Black clamp
  • 1 1A fuse
  • 1 Fuse holder
  • 1 Mains cable with ground plug
  • 1 Rubber cable gland
  • 8 M3 5mm screw
  • 4 M3 10mm separators
  • 4 M3 nuts 5 M3 screws 10mm

power7The label must be placed on the lid of the box, well centred. With help of a steel nail and a hammer, should be marked the centre and then drilled. The space where the measuring tool will be installed can be made with a 52 mm drill bit in diameter or by drawing a circumference and making a series of perforations, very close to each other with a 3 mm drill bit; then go over the entire circumference with a file.

Two perforations will be made in the rear panel of the instrument; one will be used to allocate the fuse and the output of the network cable. The cable must be protected from any rubbing against by inserting a rubber grommet. The DC voltage output terminals, positive and negative, must be isolated from the front panel.

 

power8The transformer is quite heavy, so it is necessary to secure its attachment to the bottom of the box with two M3 screws and their corresponding nuts. It will be inserted in such a way as to protect the terminals connection in case they touching any metal part of the box.

The internal of front panel; the connections between the output terminals and the printed circuit board must be made with cables of at least 1 mm of section.

The '+' and '-' symbols placed near all the connection terminals indicate the polarity.

 

The heatsink can be installed inside the box, but holes must be made on both sides upper and lower of the box, to allow the passage of air. See figures below

power9

power10

 

Some advice

The connections of the network cables must be made as follows: one of the conductors is connected to a terminal of the fuse holder, while the other terminal of the fuse should be connected to terminals of the transformer (the one identified as 220V). The other input conductor is brought to the switch, then the output of the switch should be connected to the terminal of the transformer. These connections must be perfectly insulated from the box. The yellow/green safety ground wire will be connected to the metal part of the case with a screw. We recommend carrying out these operations at the end, with the cable very folded and close to the appliance, because if we leave the plug far from the appliance and free, someone could accidentally insert it into a mains socket and cause you to suffer a dangerous current.

 

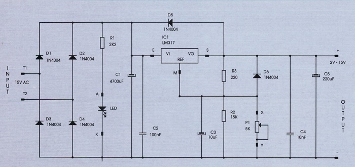
The circuit

This module allows starting from an alternating voltage which is 15 Volts, and obtain a continuous and adjustable output voltage from 2 to 15 Volts, with a maximum current of 1A.

By adding a transformer, a container and some accessories, we can build different power sources.

The integrated circuit used in the design of this module can be used to build fixed or adjustable power supplies with an output voltage between 1.2 and 35 Volts, with a maximum output current of 1.5 Amps. With the values we have chosen for the components, however, we limit the adjustment of the output voltage between 2 and 15 Volts and the output current of 1 Amp maximum; it is also assumed to use a power transformer with a secondary of 15 Volt and 1 Ampère. The input voltage of a transformer must be chosen according to the voltage of the network; in Europe, the voltage is usually 220V / 50Hz. If we choose a fixed output voltage, the power transformer must deliver an output voltage three times higher than the one you want to achieve.

 power11  power11a

power12a

List of components
  • R1: Resistor 2k2Ω, 5%, 1/4w (red, red, red)
  • R2: 15KΩ resistor, 5%, 1/4w (brown, green, Orange)
  • R3: Resistor 220Ω, 5%, 1/4w (red, red, brown)
  • P1: 5KΩ potentiometer for panel
  • C1: 4700µf / 63V electrolytic capacitor
  • C2: 100nF polyester capacitor
  • C3: 10µf / 40V electrolytic capacitor
  • C4: 10nF polymer capacitor
  • C5: 220µf / 40V electrolytic capacitor
  • D1 to D6: diode 1N4004
  • LED: red led diode
  • IC1: LM317K integrated circuit
  • 11 Sword type terminals
  • 1 PCB board
  • 1 Heatsink for TO-3 2 Insulating bayonet connections for heat sinks
  • 1 TO-3 mica insulation
  • 2 M3 15mm screws
  • 2 M3 washers 2 M3 nuts
  • 1 3mm ear terminal

 

 power13a

Technical data

  • Output voltage (adjustable) 2-15 Volts
  • Output current 1 amp. (maximum)
  • The power dissipated by the regulator is 15 Watt
  • Transformer with 15 Volts and 1 amp with a large radiator

 power14

The first components to be installed on the plate are the smallest ones. The black diodes have a band that indicates the terminal corresponding to the cathode and must be made to coincide with the one printed on the plate. The capacitor C3 is electrolytic; the longer terminal must be inserted in the hole indicated on the serigraphy with the V sign.

 power15 The polarity of the electrolytic capacitors must always be respected: to avoid errors it is indicated both on the component itself and on the serigraphy of the plate. The connections should be using cables outside the printed circuit board and are facilitated by using small spade-type terminals.

  power16The LM317 integrated circuit must be able to dissipate the heat generated; for this purpose, it is coupled with an aluminium heat sink which is a conductor. Insulating bayonet fittings must be used to avoid contact with the integrated circuit terminals. One of these is the actual housing of the integrated circuit. The body of the component is isolated thanks to a mica separator.

 

power17 The terminals E and S of the integrated circuit will be connected with cables of at least 1 mm section. The connection screw of the S terminal must be isolated from the radiator. Terminal M can be connected with small diameter cables. When soldering these terminals, you must avoid causing short circuits with the radiator.

power17This module can be used to build power sources with fixed or adjustable output; for fixed sources, you can replace the panel potentiometer with an adjustable one soldered directly to the X and Y terminals.

 

power19

 

Some advice

The connections must be made with great care and make sure that you have properly connected the terminal of each component to the corresponding terminal. The secondary of the transformer must be connected to terminals T1 and T2; in this case, the two terminals are interchangeable.

power20 

power21a

 

Recommendations

Do not try to change the fuse capacity. The power has already been tested and is 1 ampere

if you need the board is available on this website

This power supply can be controlled also via a microcontroller (PIC) and digital display. For more details contact via email

 

 

 

www.bennypass.it

favicon bacd

+(39) 347 051 5328

Italy - Kazakhstan

09.00am to 18.00pm

About

We offer the best and economical solutions, backed by 27+ years of experience and international standards knowledge, echnological changes, and industrial systems.

Marketing Materials

Spring Renovation
Industry
US Gas Company
Construct
Plus Project
Vam Drilling Service
X Project
X Project
Cabrrus Training

Marketing Materials1

Spring Renovation
Industry
US Gas Company
Construct
Plus Project
Vam Drilling Service
ultrasonic sensor
ultrasonic sensor
Cabrrus Training