Wellhead manifold and Treatment Line

manifold choke valve

Flow Lines and Collection Networks

The flow line is a term used to denote the underground pipelines that connect the well manifolds and arrival manifolds Oil Centre. The thickness and diameter of the flow lines are determined by the expected operating conditions (distance from the oil centre, flow rate, pressure, temperature, G.O.R. (Gas, Oil, Ratio), crude oil, viscosity). The set of pipelines and accessories for transporting the fluid from the wells to the oil centre is called the collection network. There are several structures as per the list below:

  • Individual Connection Design:  Where each well is individually connected to manifold inlet valves.
  • Branch structure with collector:  where the individual flow lines connect into a single collector of adequate capacity.
  • Integrated structure:  where several deposits are connected to a shipping centre (where a first treatment can also take place) and then a secondary structure connects the shipping centres to a treatment centre.

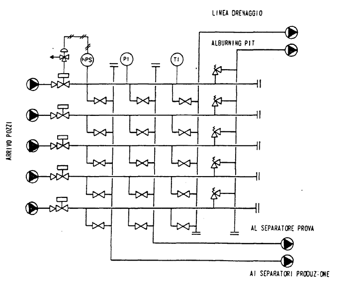
Production Manifold (Wells Connection)

The well arrival manifold is the arrival point of the various flow lines which transport the fluid from the wells to the collection centre. Through this installation, the fluid is conveyed to the various manifolds with the direction of the treatment plants to the test separator, or to the torch, (in case it is necessary to depress the line). The manifold, as seen in Fig.7, consists of an integral derivation with the flow line which is connected it a pressure gauge, a thermometer, a check valve and one or more shut-off ball valves for fluid cutoff in different manifolds.

pigFigure 7 - Production Manifold (Wells Connection)

 

production manifoldFigure 7A - Production Manifold (Wells Connection)

PIG launcher and receiver

Generally for flow lines that transport the crude oil, periodic internal cleaning and checks are required. These operations are carried out with tools called PIGs. Exist with various shapes and characteristics. There are pigs for internal cleaning of the pipeline, (see Fig.8) equipped with scraper brushes or soluble cleaning pigs with self-destruct, which leave residues to avoid the deposit of paraffin substances.

Pipes are checked with special pigs equipped with magnetic sensors capable of locating and recording any thickness variations due to corrosion or damage pipeline itself (see Fig.9). For the insertion and extraction of pigs, equipment called launch and reception traps are used (see Fig.10 and Fig.11). Fig.12 shows the typical installation diagram of the PIG launch and reception chambers.

 pig1Figure 8 - Pig

 Part N° Quantity Description 
 1 1  Body
 2 1  Turbine Ring
 3  4 Plate and Brush Holder 
 4A  2  Circular Brush
 4B  4 Semicircular brush
 5  2  Support Ring
 6  2  Neoprene Shell
7 1  Shell Support
8 1 Spacer
9 1 Back Support

 

pig 2 Figure 8A - Pig

 

pig 4

 Figure 9 - Magnetic detector Pig in Curve

 

pig5

Figure 10 -Pigs launch station

  Internal Parts
1. Drain Valve  9. Pipeline
 2. Closure  10. Ground line
 3. Purge Point 11. Support
 4. Pressure Gauge  12. Drain tank
 5. Launch chamber  13. Bypass
 6. Ball valve  14. Concrete Platform
 7. Shut-off valve  15. Shut-off Valve
8. Pig signal receive 16. Exit

 

pig launcerh Figure 10A - Pigs launch station

 

 pig7Figure 11 - Pigs receiver station

 

  Internal Parts
1. Ground line
 9. Closure
 2. Pipeline
 10. Drain Valve
 3. Shut-off Valve
11. Drain tank
 4. Ball valve
 12. Support
 5. Pig signal receive
 13. Element platform
 6. Receiver room
 14. Bypass
 7. Pressure Gauge
 15. Shut-off Valve
8. Purge Point
16. Exit

 

 

pig8Figure 12 - Typical diagram of Pigs launch and receiving chambers installation

  1. Launch Chamber
  2. Special Tees
  3. Indication Pigs departure
  4. Pigs arrival Signal
  5. Receiver room

favicon bacd

favicon bacd

+(39) 347 051 5328

Italy - Kazakhstan

09.00am to 18.00pm

About

We offer the best and economical solutions, backed by 27+ years of experience and international standards knowledge, echnological changes, and industrial systems.

Marketing Materials

Spring Renovation
Industry
US Gas Company
Construct
Plus Project
Vam Drilling Service
X Project
X Project
Cabrrus Training

Marketing Materials1

Spring Renovation
Industry
US Gas Company
Construct
Plus Project
Vam Drilling Service
ultrasonic sensor
ultrasonic sensor
Cabrrus Training